|
Právě je pon 22. pro 2025 4:28:48
|
Vyhledat témata bez odpovědí | Zobrazit aktivní témata
Zobrazit nepřečtené příspěvky
|
Jimbo
|
Napsal: pon 02. bře 2009 17:49:33 |
|
 |
| Moderátor |
 |
Registrován: pon 11. úno 2008 16:10:09 Příspěvky: 3868 Bydliště: Újezd u Brna
|
Tak menší edit, včera sem stroj lehce protáhl po dědině (plašil sem rodinky s kočárkama na vycházkách a tak  ) a jak sem dojel tak sem byl nemile překvapen, blinkry neblikali... polovina diod shořela jak žanek husuj... Tak sem začal zkoumat proč nač a tak, no nechal sem malou rezervu napětí, tudíž jak sem to nakopl a generátor dával šťávu, tak se napětí zvedlo trochu víc než sem myslel... Tak sem se nasral, nakopil nový diody a stabilizátory napětí. LEDky sem vyměnil a zapojil k nim stabilizátory tak, aby napětí nemohlo jít nad 10V (tolik de do blinkrů bez nakoplýho enginu)... a je klid 
_________________ Jawa 21 -> Jawa 50 mosquito -> Cagiva mito EV 125 -> Cagiva River F600 -> Suzuki SV 650s K2 -> Suzuki GSX-R 1000 K3 -> Honda CRF 250R K9
|
|
| Nahoru |
|
 |
|
ergevan
|
Napsal: pon 02. bře 2009 19:38:32 |
|
 |
| záklaďák |
 |
Registrován: sob 19. led 2008 18:05:36 Příspěvky: 259 Bydliště: Košice okolie - SR
|
Jimbo píše: Tak menší edit, včera sem stroj lehce protáhl po dědině (plašil sem rodinky s kočárkama na vycházkách a tak  ) a jak sem dojel tak sem byl nemile překvapen, blinkry neblikali... polovina diod shořela jak žanek husuj... Tak sem začal zkoumat proč nač a tak, no nechal sem malou rezervu napětí, tudíž jak sem to nakopl a generátor dával šťávu, tak se napětí zvedlo trochu víc než sem myslel... Tak sem se nasral, nakopil nový diody a stabilizátory napětí. LEDky sem vyměnil a zapojil k nim stabilizátory tak, aby napětí nemohlo jít nad 10V (tolik de do blinkrů bez nakoplýho enginu)... a je klid  Napatie nie je u diod vobec dolezite. Musis si ustrazit prud. Nemal by si prekrocit 20mA. Ja som doma robil osvetlenie schodov a prud som nastavil na 18mA. To ti ani nehovorim, ze napatie tam je 230V. Takze si zmeraj aky prud tecie diodami. 
_________________ Pionier 05, ČZ175, Suzuki SV1000S, BMW R 1200 GS
|
|
| Nahoru |
|
 |
|
Jimbo
|
Napsal: pon 02. bře 2009 21:01:11 |
|
 |
| Moderátor |
 |
Registrován: pon 11. úno 2008 16:10:09 Příspěvky: 3868 Bydliště: Újezd u Brna
|
ergevan píše: Jimbo píše: Tak menší edit, včera sem stroj lehce protáhl po dědině (plašil sem rodinky s kočárkama na vycházkách a tak  ) a jak sem dojel tak sem byl nemile překvapen, blinkry neblikali... polovina diod shořela jak žanek husuj... Tak sem začal zkoumat proč nač a tak, no nechal sem malou rezervu napětí, tudíž jak sem to nakopl a generátor dával šťávu, tak se napětí zvedlo trochu víc než sem myslel... Tak sem se nasral, nakopil nový diody a stabilizátory napětí. LEDky sem vyměnil a zapojil k nim stabilizátory tak, aby napětí nemohlo jít nad 10V (tolik de do blinkrů bez nakoplýho enginu)... a je klid  Napatie nie je u diod vobec dolezite. Musis si ustrazit prud. Nemal by si prekrocit 20mA. Ja som doma robil osvetlenie schodov a prud som nastavil na 18mA. To ti ani nehovorim, ze napatie tam je 230V. Takze si zmeraj aky prud tecie diodami.  Jo proud je samozřejmě důležitej, ale ten si diody odebírají tak jak mají (30 mA), ale napětí na diodě nesmí překročit 2,1 V (u tohodle konkrétního typu - katalogová hodnota) a věř tomu že když jí dáš víc tak zasmrdí jak nic... Takže pokud si je měl na 230V, tak proč ne, ale musel jsi je správně zapojit ... Takže promiň, ale výrok že napětí přechodu u diody je není důležitý, tak s tím teda naprosto nesouhlasím... to je právě to nejdůležitější, proud si dioda odebírá jakej potřebuje, pokud ho zdroj dokáže dát...
_________________ Jawa 21 -> Jawa 50 mosquito -> Cagiva mito EV 125 -> Cagiva River F600 -> Suzuki SV 650s K2 -> Suzuki GSX-R 1000 K3 -> Honda CRF 250R K9
|
|
| Nahoru |
|
 |
|
ergevan
|
Napsal: pon 02. bře 2009 21:38:10 |
|
 |
| záklaďák |
 |
Registrován: sob 19. led 2008 18:05:36 Příspěvky: 259 Bydliště: Košice okolie - SR
|
|
Pokial viem, tak LED sa pripaja na prudovy a nie napatovy zdroj. Alebo si myslis opak?
_________________ Pionier 05, ČZ175, Suzuki SV1000S, BMW R 1200 GS
|
|
| Nahoru |
|
 |
|
ergevan
|
Napsal: pon 02. bře 2009 21:51:39 |
|
 |
| záklaďák |
 |
Registrován: sob 19. led 2008 18:05:36 Příspěvky: 259 Bydliště: Košice okolie - SR
|
A aby si si to trocha oprasil, tu je odkaz na to, ci je alebo nieje rozhodujuce napatie na LED. http://www.railnet.sk/view.php?cisloclanku=2005042301 Precitaj si to cele. Doporucujem ti, aby si poriadne zmeral prud v blinkroch, lebo budes menit diody jak na klaviri.
_________________ Pionier 05, ČZ175, Suzuki SV1000S, BMW R 1200 GS
|
|
| Nahoru |
|
 |
|
ergevan
|
Napsal: úte 03. bře 2009 16:41:57 |
|
 |
| záklaďák |
 |
Registrován: sob 19. led 2008 18:05:36 Příspěvky: 259 Bydliště: Košice okolie - SR
|
Napisem ti lin vycuc z clanku LED nikdy nepripájajte priamo na zdroj napätia! Tak ako to riešiť? LED diodu musíme pripojiť na „prúdový zdroj“. teda nie na napäťový zdroj (ako sú známe zdroje) ale niečo čo dáva relatívne konštantný PRÚD, pričom nás nezaujíma napätie. Inak: takýto zdroj dáva na výstupe také napätie aby obvodom tiekol zvolený prúd.To je ideálne pre LED, tá má v parametroch prevádzkový prúd (na rozdiel od žiarovky, ktorá je na dané napätie). Ale rob ako myslis. Aspon zazenies krizu nakupom velkeho mnozstva LED. 
_________________ Pionier 05, ČZ175, Suzuki SV1000S, BMW R 1200 GS
|
|
| Nahoru |
|
 |
|
Jimbo
|
Napsal: úte 03. bře 2009 20:54:45 |
|
 |
| Moderátor |
 |
Registrován: pon 11. úno 2008 16:10:09 Příspěvky: 3868 Bydliště: Újezd u Brna
|
|
Ergevan, já to ale nemyslím nějak špatně, já sem ten článek včera četl celej, a chápu to, co je tím myšleno... Tak prosím bez hloupých poznámek.... vykupovat GM rozhodně nebudu. Chápu jak to myslíš, do série odpor, kterým nastavím pracovní bod (protékající proud), ale zároveň je potřeba brát v úvahu, že tím do série zapojeným odporem vytvořím dělič napětí, takže hodnotu odporu musím taky zvolit tak, aby na něm vznikl úbytek napětí dostatečný na to, aby na diodě bylo maximální napětí, a toto mně chlapi nikdo nevyvrátí... Přiznávám, že sem nad tím nikdy moc nepřemýšlel, jestli je na LED diody potřeba nap. nebo proud. zdroj. Vždy když sem zatím něco dělal, tak sem vzal tužku, papír a spočítal si potřebný hodnoty odporů, napětí a proudů...a zatím mně vše jelo, tím nechcu říct, že tohle mně vyjde, ani nechcu říct že mám na 100% pravdu nebo něco podobnýho ...
Martin > jasný že nás zajímají i další názory...
_________________ Jawa 21 -> Jawa 50 mosquito -> Cagiva mito EV 125 -> Cagiva River F600 -> Suzuki SV 650s K2 -> Suzuki GSX-R 1000 K3 -> Honda CRF 250R K9
|
|
| Nahoru |
|
 |
|
Jimbo
|
Napsal: úte 03. bře 2009 22:07:06 |
|
 |
| Moderátor |
 |
Registrován: pon 11. úno 2008 16:10:09 Příspěvky: 3868 Bydliště: Újezd u Brna
|
|
Okej, tak sorry jestli sem tu někomu dával klíny do hlavy, že to tak jde a mystifikoval ho... Věřím že tomu gómeš a víš vo tem víc jak já, takže novým věcem se rozhodně bránit nebudu... Ale fakt za dobu, co elektroniku studuju, což už je nějakej pátek, tak mě nenapadlo brát v úvahu ten proudovej zdroj. Udělal sem myslím už dost věcí s vysokosvítívýma ledkama a všechno mně jelo, tak sem to dál nějak neřešil. Bral sem to tak, že je důležitý dodržet napětí na přechodu (teda pravda za tím si stojím pořád) a proud už si dioda odebere sama. Nevědomky sem pracovní body nastavoval děličama napětí, nebo já nevím ... Jináč teďka mně teda nejde do hlavy jaktože mně ty blinkry jedou, sice pořádnou vyjížďku ještě nezažili, ale pořádný otáčky jo...a po té co sem zabudoval stabilizátory napětí tak je vše jak má být...
_________________ Jawa 21 -> Jawa 50 mosquito -> Cagiva mito EV 125 -> Cagiva River F600 -> Suzuki SV 650s K2 -> Suzuki GSX-R 1000 K3 -> Honda CRF 250R K9
|
|
| Nahoru |
|
 |
|
ergevan
|
Napsal: úte 03. bře 2009 22:32:41 |
|
 |
| záklaďák |
 |
Registrován: sob 19. led 2008 18:05:36 Příspěvky: 259 Bydliště: Košice okolie - SR
|
|
Je pravda, ze ti diody tym znizenim napatia neodpochoduju. Len tym, ze nenastavis dotatocny prud pre diody, nevyuzijes ich plnu svietivost. V praxi, pokial bude maly prud, sa nedozijes toho aby ti odisli. Zivotnost jednej LED pri plnom max dovolenom prude sa odhaduje na 15 rokov.
_________________ Pionier 05, ČZ175, Suzuki SV1000S, BMW R 1200 GS
|
|
| Nahoru |
|
 |
|
Jimbo
|
Napsal: úte 03. bře 2009 23:05:08 |
|
 |
| Moderátor |
 |
Registrován: pon 11. úno 2008 16:10:09 Příspěvky: 3868 Bydliště: Újezd u Brna
|
Jj, ledky vydrží hafo dlouho. To mě právě taky napadlo, že pokud říkáš, že je to tak, tak že bych měl proud nastavit, zapojit do série s blinkrem odpor odpovídající protékanýmu proudu. No hele, zítra mám technickou, tak su rád že to premává, myslím že slušně, pak se v tom můžu ještě porejpat Takže teoreticky, blinkr tvoří 5 dvojic diod (každá dvojice tvoří paralelní zapojení), do blinkru jde max 10V, čili na každé diodě jsou 2V, tak jak mají podle katalogovýho listu být. Proud diodou by měl být 30mA, čili proud obvodem by měl být 60mA (způsobeno). Pokud bych chtěl tohodle dosáhnout, tak abych na rezistoru vytvořil co nejmenší úbytek napětí (třeba 0,5 V) tak bych do série s obvodem zapojil rezistor s hodnotou odporu R = 0,5/0,06 = cca 8 ohm ? mam pravdu?
_________________ Jawa 21 -> Jawa 50 mosquito -> Cagiva mito EV 125 -> Cagiva River F600 -> Suzuki SV 650s K2 -> Suzuki GSX-R 1000 K3 -> Honda CRF 250R K9
|
|
| Nahoru |
|
 |
|
ergevan
|
Napsal: úte 03. bře 2009 23:40:42 |
|
 |
| záklaďák |
 |
Registrován: sob 19. led 2008 18:05:36 Příspěvky: 259 Bydliště: Košice okolie - SR
|
|
Berieme to, ze tam mas paralelne pripojeny odpor 8ohm koli dodrzani 21W, co si pocital? Lebo ak nie, tak serioparalelnym zapojenim LED podla toho obrazku, ak vynechas ten paralelne pripojeny odpor a pripojil by si len seriovo 8ohm odpor, tak na diody by si dostal 1,25A. Inac pri stabilnych 10 voltoch, by si potreboval jeden 166 ohmovy odpor, alebo pred kazdu dvojicu 33,2 ohmovy odpor, co je blbost. Ale vydrz, este to prepocitam
_________________ Pionier 05, ČZ175, Suzuki SV1000S, BMW R 1200 GS
|
|
| Nahoru |
|
 |
|
Jimbo
|
Napsal: úte 03. bře 2009 23:46:47 |
|
 |
| Moderátor |
 |
Registrován: pon 11. úno 2008 16:10:09 Příspěvky: 3868 Bydliště: Újezd u Brna
|
ergevan píše: Berieme to, ze tam mas paralelne pripojeny odpor 8ohm koli dodrzani 21W, co si pocital? Lebo ak nie, tak serioparalelnym zapojenim LED podla toho obrazku, ak vynechas ten paralelne pripojeny odpor a pripojil by si len seriovo 8ohm odpor, tak na diody by si dostal 1,25A. Inac pri stabilnych 10 voltoch, by si potreboval jeden 166 ohmovy odpor, alebo pred kazdu dvojicu 33,2 ohmovy odpor, co je blbost. Ale vydrz, este to prepocitam Nn, já to myslel tak, že bych ten odpor zapojil do séri s tím obdovem diod, a na celý tohle by byl připojenej ten výkonovej rezistor, jestli víš jak to myslím...
_________________ Jawa 21 -> Jawa 50 mosquito -> Cagiva mito EV 125 -> Cagiva River F600 -> Suzuki SV 650s K2 -> Suzuki GSX-R 1000 K3 -> Honda CRF 250R K9
|
|
| Nahoru |
|
 |
|
Jimbo
|
Napsal: úte 03. bře 2009 23:57:16 |
|
 |
| Moderátor |
 |
Registrován: pon 11. úno 2008 16:10:09 Příspěvky: 3868 Bydliště: Újezd u Brna
|
takhle: Příloha:
blinkr.JPG [ 13.76 KiB | Zobrazeno 6494 krát ]
_________________ Jawa 21 -> Jawa 50 mosquito -> Cagiva mito EV 125 -> Cagiva River F600 -> Suzuki SV 650s K2 -> Suzuki GSX-R 1000 K3 -> Honda CRF 250R K9
|
|
| Nahoru |
|
 |
|
ergevan
|
Napsal: stř 04. bře 2009 0:26:36 |
|
 |
| záklaďák |
 |
Registrován: sob 19. led 2008 18:05:36 Příspěvky: 259 Bydliště: Košice okolie - SR
|
|
Tak mne tam vychadza 40ohmovy odpor. Ale dockaj zajtrajska a prejdem to s kolegom.
_________________ Pionier 05, ČZ175, Suzuki SV1000S, BMW R 1200 GS
|
|
| Nahoru |
|
 |
|
Jimbo
|
Napsal: stř 04. bře 2009 0:39:32 |
|
 |
| Moderátor |
 |
Registrován: pon 11. úno 2008 16:10:09 Příspěvky: 3868 Bydliště: Újezd u Brna
|
ergevan píše: Tak mne tam vychadza 40ohmovy odpor. Ale dockaj zajtrajska a prejdem to s kolegom. OK dikec, jen prosím, počítej s co nejmenším napětím, na tom sériově zapojeným odporu, nejlépe 0,5 V, díky
_________________ Jawa 21 -> Jawa 50 mosquito -> Cagiva mito EV 125 -> Cagiva River F600 -> Suzuki SV 650s K2 -> Suzuki GSX-R 1000 K3 -> Honda CRF 250R K9
|
|
| Nahoru |
|
 |
|
ergevan
|
Napsal: stř 04. bře 2009 19:37:01 |
|
 |
| záklaďák |
 |
Registrován: sob 19. led 2008 18:05:36 Příspěvky: 259 Bydliště: Košice okolie - SR
|
|
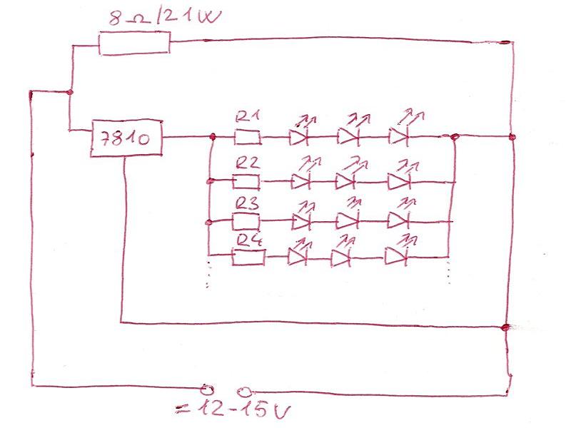
Akoj Jimbo, zatial ti posielam len schemu, lebo ta co si nakreslil, je velmi zla, pretoze LED nemozes zapajat serioparalelne, lebo ti urcite pstupne odidu. Potom ti vysvetlim preco. Na scheme ti treba len vypocitat odpory R1 az R4. Budu mat rovnaku hodnotu. Napatie je tam 10V a prud 30mA. Treba uz len deltaU LED. To by malo byt ako si pisal asi 1,9-2,4V. Takze to nastavime na 2,3V. R=(10V-(2,3+2,3+2,3))/0,03. Vysledok by mal byt 103,3. To znamena ze pouzijes 100ohmove odpory. No este mam trocha casu, tak ti poviem, ze ak das diody paralelne, nie kazda ma rovnake deltaU, to znamena, ze pri 60mA ti jednou diodou bude tiect vacsi prud a tym padom, ti skor odide, cize hned za nou odide aj dalsia. To je na dlho, ak by ti to trebalo podrobnejsie vysvetlit. Pri tom zapojeni, co som ti dal, vsetky diody budu mat rovnaku intenzitu jasu a vydrzia dlho. Pre istotu prepocitaj este po mne, ci som sa nepomylil. Ja teraz idem prec na cca 4hodiny, ale potom sa ozvem
| Přílohy: |

scan0001.jpg [ 37.81 KiB | Zobrazeno 6445 krát ]
|
_________________ Pionier 05, ČZ175, Suzuki SV1000S, BMW R 1200 GS
|
|
| Nahoru |
|
 |
Kdo je online |
Uživatelé procházející toto fórum: Žádní registrovaní uživatelé a 10 návštevníků |
|
Nemůžete zakládat nová témata v tomto fóru Nemůžete odpovídat v tomto fóru Nemůžete upravovat své příspěvky v tomto fóru Nemůžete mazat své příspěvky v tomto fóru Nemůžete přikládat soubory v tomto fóru
|
|